티스토리 뷰
728x90
반응형
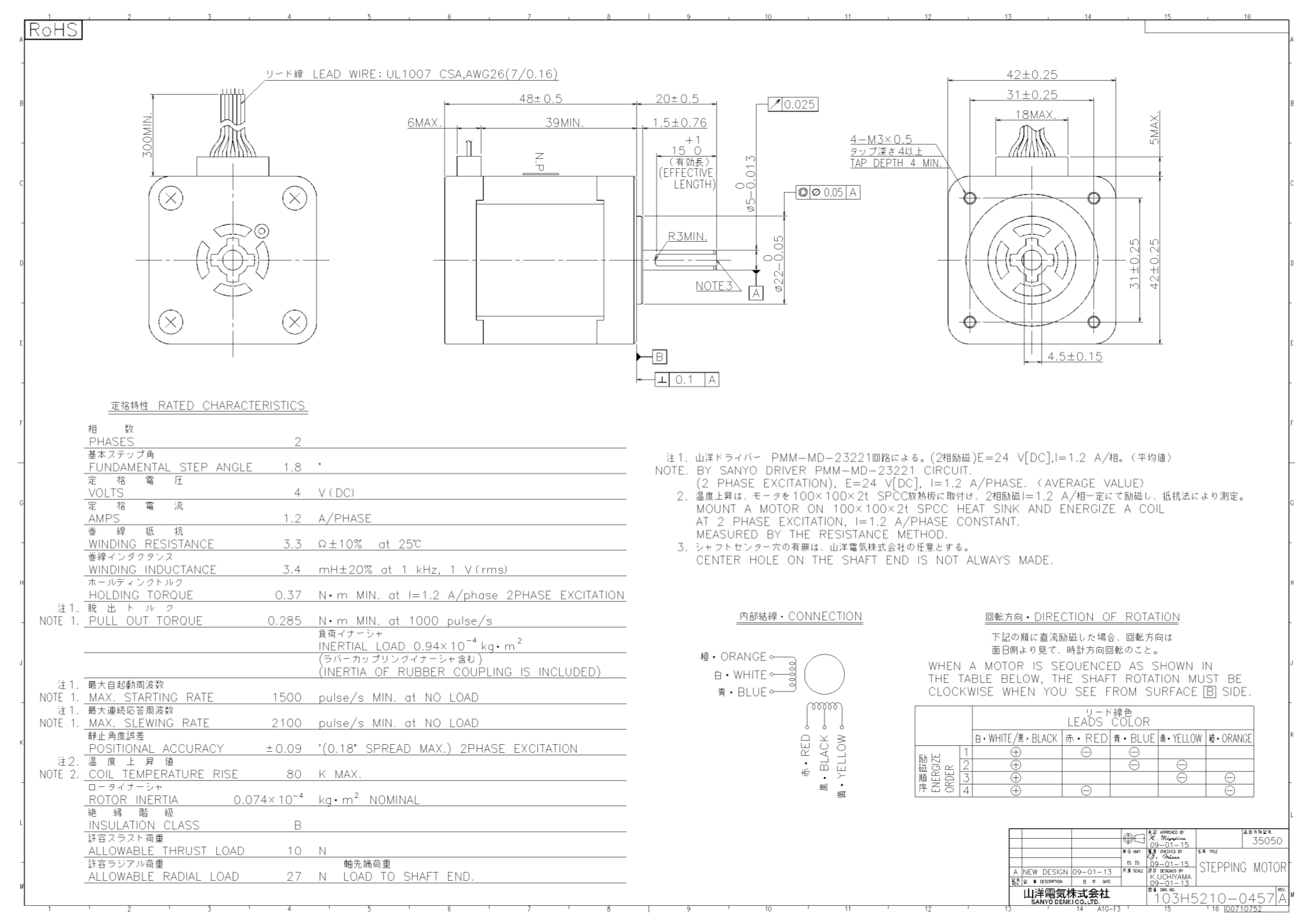
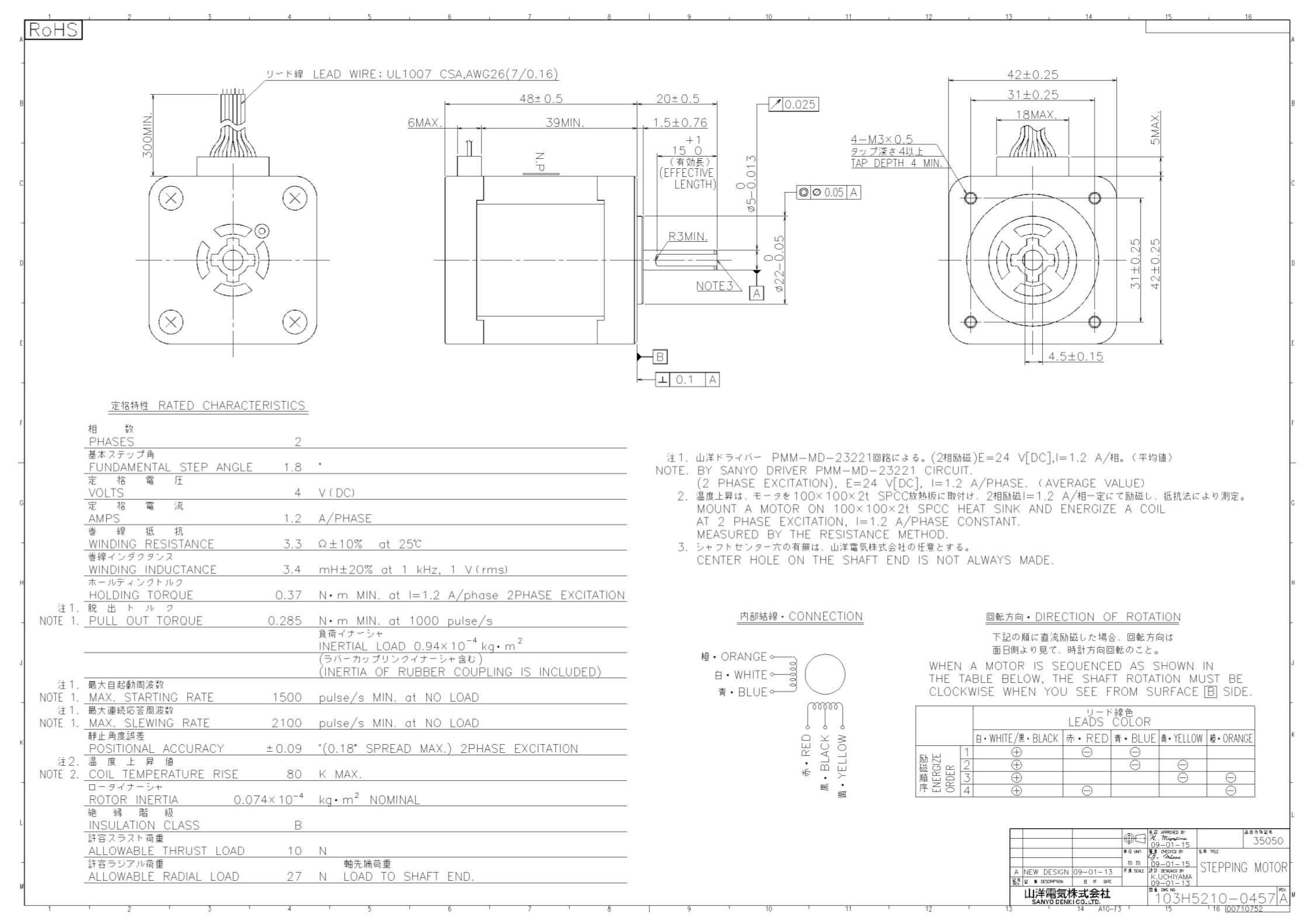
스테핑 모터step type 103H5210-0457산요덴키
42사이즈 모터
https://www.devicemart.co.kr/goods/view?no=13843
스테핑모터(103H5210-0457)
산요덴키 스테핑모터입니다. 산요덴키 스테핑모터 세계최고 품질인것 아시죠? 42사이즈 모터입니다.
www.devicemart.co.kr


A3967 아두이노 스텝모터 드라이버 모듈 Easy Driver [SZH-MDBL-005]

https://www.devicemart.co.kr/goods/view?no=1327606


orange -> A
blue -> A
Red -> B
yellow ->B
(모터 드라이버의 AB가 두개씩있음.)
white -> +
black -> +
**모터 드라이버에 전원 연결 24V (따로 전원이 필요하다. )
모터 드라이버의 +,- (모터의 흰색 검은색이아니라) 코드대신
아두이노(나의 경우 xiao) 5v 와 그라운드에 (+,-)에 연결해주면 작동한다.



디지털 3,2와 그라운드를 한번더 연결해줘야 아두이노 코드가 돌아감
/*
Allegro A3967 based EasyStepper board
*/
int dirPin = 2;
int stepperPin = 3;
void setup() {
pinMode(dirPin, OUTPUT);
pinMode(stepperPin, OUTPUT);
}
void step(boolean dir,int steps){
digitalWrite(dirPin,dir);
delay(50);
for(int i=0;i<steps;i++){
digitalWrite(stepperPin, HIGH);
delayMicroseconds(100);
digitalWrite(stepperPin, LOW);
delayMicroseconds(100);
}
}
void loop(){
step(true,1600);
delay(500);
step(false,1600*5);
delay(500);
}

https://rockjjy.tistory.com/2593
Arduino Uno 로 A3967 Easy Driver 를 사용해서 2상 4선 바이폴라 스테핑모터 제어해 보기
Arduino Uno 로 A3967 Easy Driver 를 사용해서 2상 4선 바이폴라 스테핑모터를 구동시켜 보고 조이스틱 모듈을 활용해서 정회전 & 역회전 제어를 해보는 프로젝트입니다 A3967 스텝모터 드라이버는 A3967 IC
rockjjy.tistory.com

728x90
반응형
'Iot > Arduino' 카테고리의 다른 글
| 아두이노에 여러개의 센서 연결하기 (DS18B20 온도센서) (0) | 2024.02.21 |
|---|---|
| 아두이노 조도센서 모듈 [SEN030101] (0) | 2024.02.20 |
| 아두이노 생체신호 센서 Data 파이썬으로 받아서 .csv 저장하기 (1) | 2024.02.16 |
| VL53L1X ToF 레이저 거리 측정 센서 모듈_아두이노 (0) | 2024.01.09 |
| RedBoard Sparkfun _아두이노 오류 _ 보드 설치 (0) | 2024.01.09 |
250x250
공지사항
최근에 올라온 글
최근에 달린 댓글
- Total
- Today
- Yesterday
링크
TAG
- MQTT
- ai film
- Unity
- 4d guassian splatting
- node.js
- Arduino
- MCP
- Java
- docker
- Python
- houdini
- DeepLeaning
- opticalflow
- 후디니
- three.js
- RNN
- sequelize
- colab
- krea
- TouchDesigner
- CNC
- VR
- AI
- opencv
- 4dgs
- Express
- Midjourney
- VFXgraph
- 라즈베리파이
- 유니티
| 일 | 월 | 화 | 수 | 목 | 금 | 토 |
|---|---|---|---|---|---|---|
| 1 | 2 | 3 | 4 | 5 | 6 | |
| 7 | 8 | 9 | 10 | 11 | 12 | 13 |
| 14 | 15 | 16 | 17 | 18 | 19 | 20 |
| 21 | 22 | 23 | 24 | 25 | 26 | 27 |
| 28 | 29 | 30 | 31 |
글 보관함
반응형

